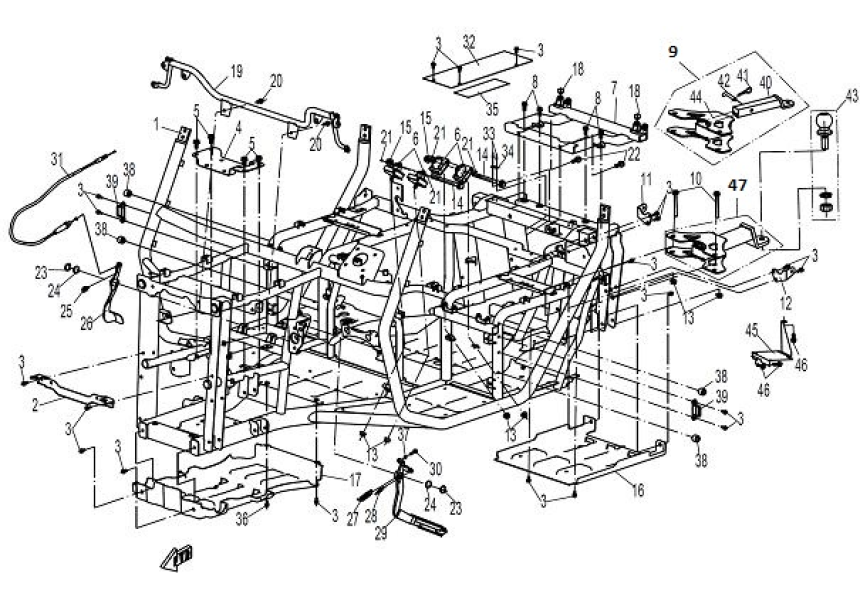
FRAME
If you are unable to find the corresponding parts for the catalog, please contact us.
| Image/No | Product | Price |
|---|---|---|
| 06 |
Damper
|


WhatsApp
Messenger
Telegram
WeChat
QQ